SEARCH
气凝胶保温毡是一种新型的保温隔热材料,广泛应用于各种保温领域。为了规范气凝胶保温毡的生产和使用,我国制定了相应的国家标准——GBT34336-2017《纳米孔气凝胶复合绝热制品》于2017年10月发布,并于2018年9月1日起正式实施。

《纳米孔气凝胶复合绝热制品》对气凝胶制品进行了分类,具体如下:
产品按产品形态分为:毡、板和异形制品
产品按分类温度分为以下四类:I型,分类温度200℃;Ⅱ型,分类温度 450℃;Ⅲ型,分类温度650℃;Ⅳ型,由厂家标称分类温度,大于650℃。注:长期使用温度一般比分类温度低 50~150℃。
产品按导热系数分为A类、B类、S类。
气凝胶制品导热系数要求如下:

气凝胶制品燃烧性能等级:应符合标称的 GB 8624-2012 规定的燃烧性能等级的要求,且I型不得低于B1(C)级,Ⅱ、Ⅲ型、Ⅳ型不得低于A(A2)级。
气凝胶制品加热永久线变化:I型、Ⅱ型、Ⅲ型应不小于-2.0%,Ⅳ型应不小于-5.0%。
气凝胶制品振动质量损失率:应不大于 1.0%。
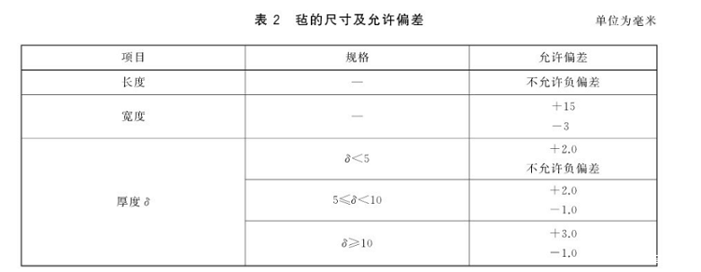
气凝胶毡的外观:表面应平整,不得有妨碍使用的伤痕、污迹、破损。尺寸及允许偏差如下表所示:

气凝胶毡体积密度:实测体积密度与标称体积密度的偏差应不大于20%。
气凝胶毡压缩回弹率:应不小于90%。
气凝胶毡抗拉强度:I、Ⅱ、Ⅲ型的横向、纵向抗拉强度均应不小于200kPa,Ⅳ型的横向、纵向抗拉强度均应不小于2lkPa。
另外,气凝胶毡产品应符合柔性的要求。当有防水防潮要求时,质量吸湿率应不大于5.0%,体积吸水率应不大于 1.0%,憎水率应不小于98.0%。当有承重要求时,气凝胶毡产品变形25%时的压缩强度应不小于80kPa。
以上便是气凝胶保温毡国家标准的内容讲解,希望可以帮助到大家。想要购买气凝胶毡或者想了解相关资讯,请关注雷竞技reby气凝胶厂家。